M
MichelP
Guest
Ok Here's a couples of pics of the rust damage on the frame.
Some of the pics are the new frame being prepared. I'm cleaning up the welds and making some gussets to reinforce everything. same time I'll redo the welds. then later on it will be sent to powder coat along with the suspension parts.
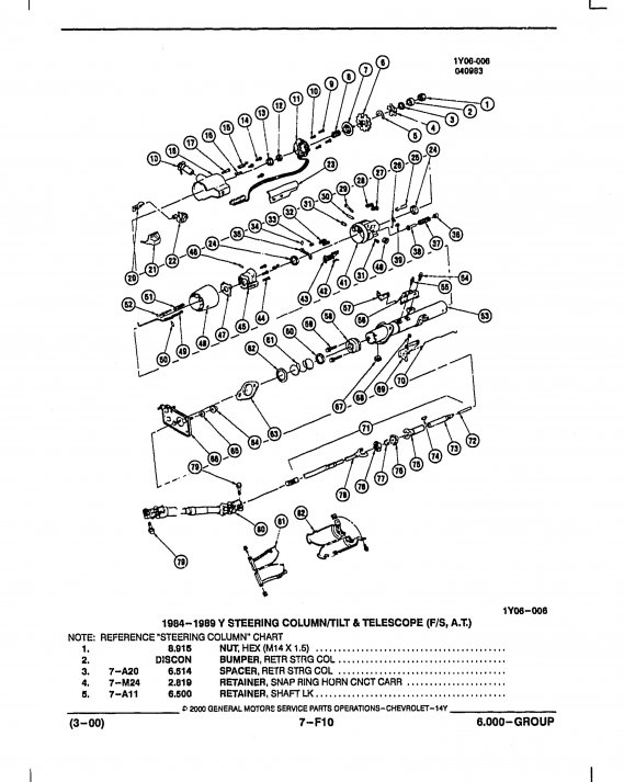
I'm thinking about replacing the steering box with a Jeep box so new brackets will have to be made.
View attachment 11348
View attachment 11349
View attachment 11350
View attachment 11351
View attachment 11352
Some of the pics are the new frame being prepared. I'm cleaning up the welds and making some gussets to reinforce everything. same time I'll redo the welds. then later on it will be sent to powder coat along with the suspension parts.
I'm thinking about replacing the steering box with a Jeep box so new brackets will have to be made.
View attachment 11348
View attachment 11349
View attachment 11350
View attachment 11351
View attachment 11352

for bringing this one back from the yard.. :cool




